Electrical(電氣性能)
(接觸電阻)Initial Contact Resistance: 50mΩ Max
(操作力量)Operation Force:300±200gf
(絕緣電阻)Insulation Resistance:100MΩ Min 500VDC
(耐電壓)Withstand Voltage: 1500 VAC for 1 minute
(電氣壽(shòu)命)Endurance:10,000 cycles
Material(材質)
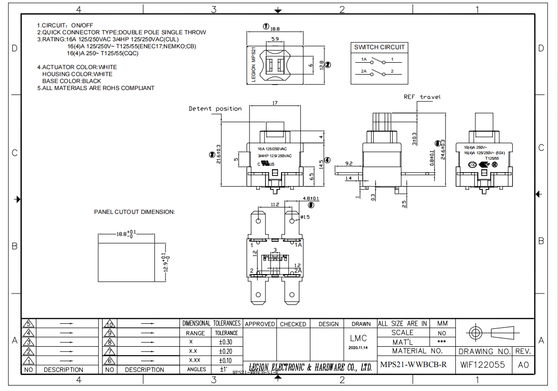
(外殼(ké))Housing: nylon66 UL94V-0
(柄(bǐng))Actuator:PBT+15%GF,UL 94V-0
(彈簧)Spring:Stainless Steel Wire
(接觸片(piàn))Contact Hole Plate:Brass Jis C2680-1/2H,PICKLING(酸洗)
(端(duān)子)Terminal:Brass Jis C2680-1/2H,PICKLING(酸洗)
(接(jiē)點)Silver Contact:Silver Alloy
(基座)Base:PBT+15%GF,UL94V-0
(軸針)Latch Pin:301#Stainless Steel, Nickel Plated